项目介绍
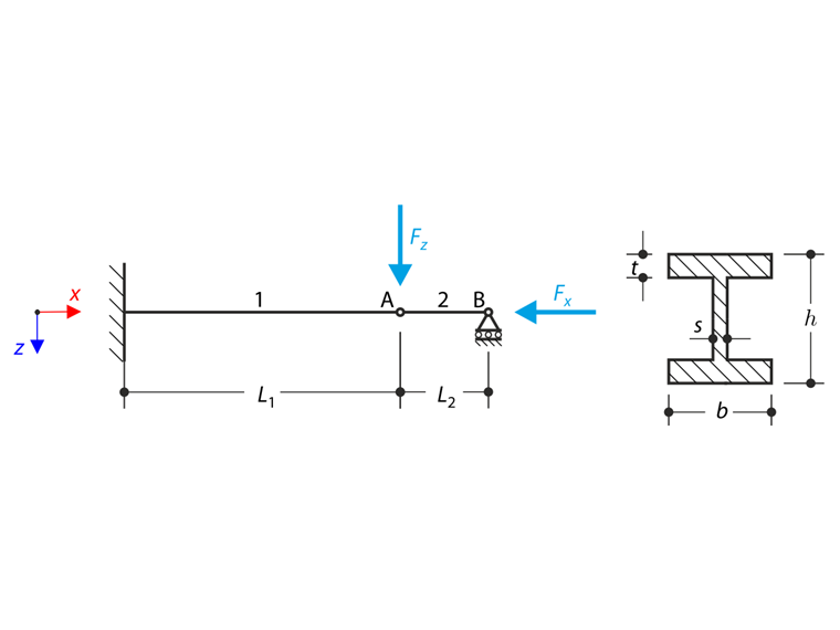
一个工字形结构,左端完全固定,右端嵌入滑动支座中。 该结构由两部分组成,该结构的名称分别按照下面的 sketch。 示例中忽略自重。 结构的最大挠度 uz,max ,固定端上的弯矩 My ,节段 2 的转角 φ2,y以及反力 RBz通过几何线性分析和二阶分析得出分析。 验算示例是基于 Gensichen 和 Lumpe 提出的示例(参见参考资料)。
| 材料 | 钢 | 弹性模量 | E | 210000,000 | MPa |
| 泊松比 | ν | 0,300 | <现在wiki>-现在wiki> | ||
| 几何尺寸 | 结构 | 区段长度 1 | L1 | 6,000 | m |
| 分段长度2 | L2 | 1,200 | m | ||
| 截面 | 高度 | h | 400,000 | mm | |
| 宽度 | b | 180,000 | mm | ||
| 腹板厚度 | S | 10,000 | mm | ||
| 翼缘厚度 | t | 14,000 | mm | ||
| 荷载 | 轴力 | Fx | 100,000 | kN | |
| 横向力 | Fz | 0,500 | kN | ||
解析解
一阶分析(几何线性)
首先进行几何线性分析。 在这种情况下不考虑轴向力 Fx 。 该问题可以被解决,长度为 L1的悬臂梁只承受横向力 Fz 。 最大挠度 uz,max可以使用摩尔积分计算,结果表达式为:
固定端弯矩计算公式如下:
杆件 2 的转角 φ2,y根据几何条件计算如下:
考虑轴向力 Fx为零的影响时,滑动连接中的反力 RBz可以从下面的自由体图 sketch 。
二阶分析
由于轴向力 Fx的作用不可忽略,所以在二阶分析中加以考虑。 轴力Fx也被考虑在内,会产生另一个弯矩值。 该问题可以根据通过区段的自由体曲线图进行描述。 由平衡方程式得出未知的反力,然后得出弯矩公式。
求解可以采用Euler-Bernoulli微分方程。
在考虑边界条件的情况下,可以找到微分方程的解,并计算结构的最大挠度。
固定端弯矩计算公式如下:
杆件 2 的转角 φ2,y根据几何条件计算如下:
得出滑动连接中的反力 RBz :
可见轴力Fx的影响非常显着。 在二阶分析的情况下,在给定荷载下的结构的总挠度比几何线性分析的情况大约大 18 %。 在考虑荷载作用力的比值 Fz = Fx/200 的情况下,对一阶分析和二阶分析进行比较。很明显,当荷载越大,这些分析之间的差异越显着。二阶分析解逼近水平渐近线。数值解给出水平渐近线 Fx,cr = 650.873 kN。
RFEM 和 RSTAB 设置
- 在 RFEM 5.05 和 RSTAB 8.05 以及 RFEM 6.01、RSTAB 9.01 中建模
- 单元数量为2(每杆一个单元)
- 增量数目为 5
- 使用各向同性线弹性材料模型
- 该结构是使用杆件建模的
- 忽略杆件的抗剪刚度
结果
| 几何线性分析 | 解析解 | RFEM 6 | 比值 | RSTAB 9 | 比值 |
| uz,max [mm] | 0,743 | 0,743 | 1,000 | 0,743 | 1,000 |
| My (0) [kNm] | 3,000 | 3,000 | 1,000 | 3,000 | 1,000 |
| φ2,y [mrad] | 0,619 | 0,619 | 1,000 | 0,619 | 1,000 |
| RBz [kN] | 0,000 | 0,000 | <现在wiki>-现在wiki> | 0,000 | <现在wiki>-现在wiki> |
| 几何线性分析 | 解析解 | RFEM 5 | 比值 | RSTAB 8 | 比值 |
| uz,max [mm] | 0,743 | 0,743 | 1,000 | 0,743 | 1,000 |
| My (0) [kNm] | 3,000 | 3,000 | 1,000 | 3,000 | 1,000 |
| φ2,y [mrad] | 0,619 | 0,619 | 1,000 | 0,619 | 1,000 |
| RBz [kN] | 0,000 | 0,000 | <现在wiki>-现在wiki> | 0,000 | <现在wiki>-现在wiki> |
| 二阶分析 | 解析解 | RFEM 6 | 比值 | RSTAB 9 | 比值 |
| uz,max [mm] | 0,878 | 0,878 | 1,000 | 0,878 | 1,000 |
| My (0) [kNm] | 3,527 | 3,527 | 1,000 | 3,527 | 1,000 |
| φ2,y [mrad] | 0,732 | 0,732 | 1,000 | 0,732 | 1,000 |
| RBz [kN] | -0.073 | -0.073 | 1,000 | -0.073 | 1,000 |
| 二阶分析 | 解析解 | RFEM 5 | 比值 | RSTAB 8 | 比值 |
| uz,max [mm] | 0,878 | 0,878 | 1,000 | 0,878 | 1,000 |
| My (0) [kNm] | 3,527 | 3,527 | 1,000 | 3,527 | 1,000 |
| φ2,y [mrad] | 0,732 | 0,732 | 1,000 | 0,732 | 1,000 |
| RBz [kN] | -0.073 | -0.073 | 1,000 | -0.073 | 1,000 |