18571x
001600
2019-12-04

柱子在轴力和弯曲作用下的截面设计

在这篇文章中使用了附加模块 RF-/STEEL EC3 按照规范 EN 1993-1-1 对一个铰接柱进行设计, Stützenkopf und Stützenfuß werden als Gabellager angenommen. Die Stütze ist zwischen den Auflagern nicht gegen Verdrehen gehalten. Der Querschnitt der Stütze ist ein HEB 360 aus S235.

结构体系、荷载和内力

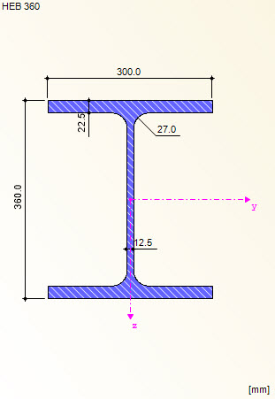
截面属性

  • h = 300 mm, b = 360 mm, ts = 12,5 mm, tg = 22,5 mm, r = 27 mm
  • A = 180,60 cm², Iy = 43.190 cm4, Wy = 2.400 cm³

Nachweis der Querschnittsklasse

  • [1] Tabelle 5.2, zweiseitig gestützte Querschnittsteile
  • 腹板: c = 261 mm, t = 12,5 mm


Der Steg erfüllt die Anforderungen an die Querschnittsklasse 1.

  • [1] Tabelle 5.2, einseitig gestützte Querschnittsteile
  • 翼缘: c = 116,8 mm, t = 22,5 mm


Der Gurt erfüllt die Anforderungen an die Querschnittsklasse 1.

Der gesamte Querschnitt kann demnach in Querschnittsklasse 1 eingeordnet werden.

Querschnittsnachweis Druck nach 6.2.4


→ Nachweis ist erfüllt.

Querschnittsnachweis Querkraft in Achse z nach 6.2.6


→ Nachweis ist erfüllt. Kein Schubbeulnachweis erforderlich.

Querschnittsnachweis Biegung, Quer- und Normalkraft nach 6.2.9.1

Die Normalkraft muss berücksichtigt werden, wenn:


u.

→ Die Normalkraft muss berücksichtigt werden.

→ Nachweis ist erfüllt.


作者

Sandy 在客户支持方面为技术问题提供支持,涉及软件相关事宜。她可靠地熟悉新主题,并为清晰结构化的解决方案作出贡献。

链接
参考
下载


;