18571x
001600
2019-12-04

Cross-Section Design of Column Under Axial Force and Bending

In this technical article, a hinged column with a centrally acting axial force and a linear load that acts on the major axis are designed according to EN 1993-1-1 with the aid of the RF-/STEEL EC3 add-on module. The column head and column base are assumed to be lateral and torsional restraints. The column is not held against rotation between the supports. The cross-section of the column is an HEB 360 from S235.

System, Loading, and Internal Forces

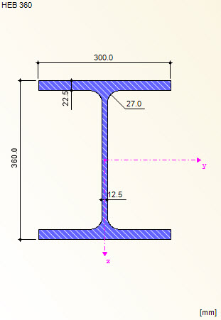
Section Properties

  • h = 300 mm, b = 360 mm, ts = 12.5 mm, tg = 22.5 mm, r = 27 mm
  • A = 180.60 cm², Iy = 43,190 cm4, Wy = 2,400 cm³

Design of Cross-Section Class

  • [1], Table 5.2, cross-section parts supported on two sides
  • Web: c = 261 mm, t = 12.5 mm


The web meets the requirements for cross-section class 1.

  • [1], Table 5.2, cross-section parts supported on one side
  • Flange: c = 116.8 mm, t = 22.5 mm


The flange meets the requirements for cross-section class 1.

Accordingly, the entire cross-section can be classified in cross-section class 1.

Cross-Section Design of Pressure According to 6.2.4


→ Design is fulfilled.

Cross-Section Design of Shear Force in Axis z According to 6.2.6


→ Design is fulfilled. No shear buckling design is required.

Cross-Section Design of Bending, Shear, and Axial Force According to 6.2.9.1

The axial force must be taken into account if:


and

→ The axial force must be taken into account.

→ Design is fulfilled.


Author

Sandy provides support in Customer Support for technical issues related to the software. She reliably familiarizes herself with new topics and helps develop clearly structured solutions.

Links
References
Downloads


;