1026x
004293
17-12-2019

Armadura longitudinal mínima en RF-CONCRETE Members

He activado la armadura longitudinal mínima en RF-CONCRETE Members. ¿Se visualiza en la representación gráfica de la armadura necesaria en el superior o inferior?


Respuesta:

Si se activa el cálculo de la armadura longitudinal según la norma, la armadura necesaria se tiene en cuenta cuando se muestra la misma.

Consulte el siguiente gráfico con la distribución de la armadura necesaria sin la armadura longitudinal mínima según la norma:

Und im Vergleich dazu der Verlauf von As,erf,-z(oben) mit Mindestlängsbewehrung nach Norm:

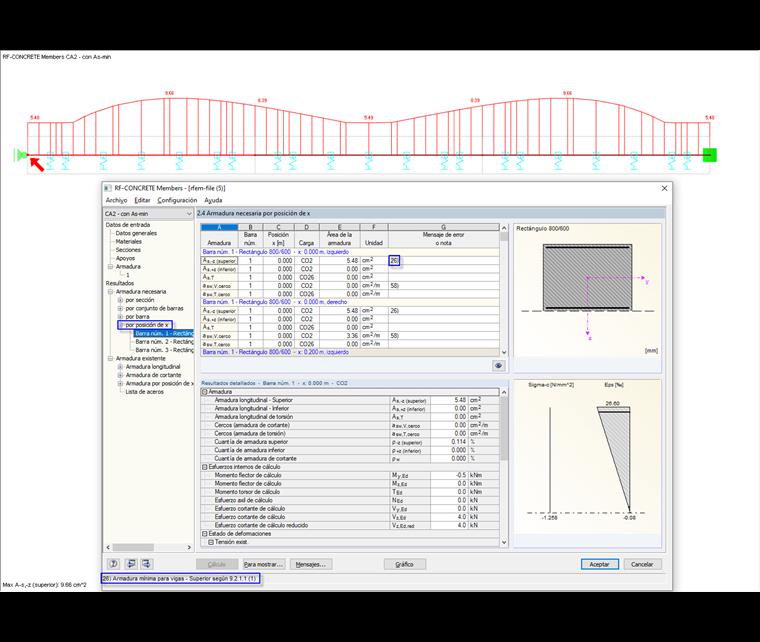
En la ventana de resultados "2.4 Armadura necesaria por posición x", puede ver qué armadura se necesita en qué posición x de la barra calculada. Si la armadura longitudinal mínima según la norma se vuelve relevante, esto se indica en los mensajes núm. 26) o 27).


En las posiciones donde la armadura longitudinal mínima no es crítica, sólo se muestra la armadura longitudinal necesaria estáticamente. En este caso, faltan los mensajes núm. 26) y 27).


Autor

El Sr. Kieloch proporciona soporte técnico a nuestros clientes y es responsable del desarrollo en el área de estructuras de hormigón armado.

Enlaces
Descargas


;