INTRODUCCIÓN
Este artículo proporciona orientación sobre el diseño de uniones resistentes a momentos de acuerdo con el Eurocódigo 3, centrándose específicamente en las conexiones atornilladas de placa terminal entre vigas y columnas en marcos de varios pisos. Hace referencia a secciones, figuras y tablas relevantes de EN 1993-1-8 y otros estándares aplicables según sea necesario.
ENFOQUE ANALÍTICO
El procedimiento analítico se toma de [1].
Configuración de la Unión
| Columna | 254x254x107 UKC | S275 |
| Viga | 533x210x92 UKB | S275 |
| Placa terminal | 670x250x25 mm | S275 |
| Perno | M24 clase 8.8 | |
| Soldaduras | Soldaduras de filete: ala sf = 12 mm, alma sw = 8 mm |
Resistencia Equivalente del T-Stub
La resistencia de los T-stubs equivalentes se evalúa por separado para la placa terminal y el ala de la columna. Las resistencias se calculan para tres posibles modos de falla, y la resistencia se toma como el mínimo de los valores para estos tres modos.
La resistencia de diseño del ala del T-stub para cada uno de los modos se da a continuación.
Los modos de falla se muestran a continuación:
| donde | ||
| ℓeff,1 | es la longitud efectiva del T-stub equivalente para el Modo 1, tomada como el menor de ℓeff,cp y ℓeff,nc | |
| ℓeff,2 | es la longitud efectiva del T-stub equivalente para el Modo 2, tomada como ℓeff,nc | |
| tf | en el espesor del ala del T-stub (= tp o tfc) | |
| fy | es la resistencia a la fluencia del ala del T-stub (es decir, de la columna o la placa terminal) | |
| ∑Ft,Rd | es la resistencia total a la tracción para los pernos en el T-stub (= 2Ft,Rd para una sola fila) | |
| ew | = dw/4 | |
| dw | es el diámetro de la arandela o el ancho entre las puntas de la cabeza del perno | |
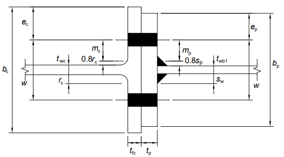
| m | es la distancia según se define en la figura anterior | |
| n | es el mínimo de ec (la distancia al borde del ala de la columna), ep (la distancia al borde de la placa terminal), 1.25 m (para la placa terminal o el ala de la columna, según sea apropiado) |
Definición de Resistencia:
T-Stubs en la Zona de Tensión
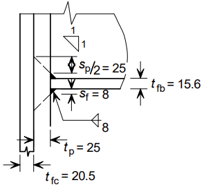
FILA DE PERNOS 1 Ala de la columna en flexión (sin placa de respaldo) Considera la fila de pernos 1 actuando sola. Las dimensiones clave se muestran a continuación.
Placa terminal en flexión
Resumen del cálculo de resistencia:
| Parámetro | Unidad | Ala de la columna en flexión (sin placa de respaldo) | Alma de la columna en tensión transversal | Placa terminal en flexión | Alma de la viga en tensión | |
| m | [mm] | 33.4 | - | = mx = 30.4 | - | |
| e | [mm] | = emin = 75 | - | e = 75, ex = 50 | - | |
| ℓeff,1 | [mm] | 210 | - | 125 | - | |
| ℓeff,2 | [mm] | 233 | - | 125 | - | |
| MODO 1 | ||||||
| n | [mm] | 41.8 | - | 38.0 | - | |
| tf | [mm] | 20.5 | - | 25 | - | |
| fy | [N/mm2] | 265 | - | 265 | - | |
| Mpl,1,Rd | [Nmm] | 5850x103 | - | 5180x103 | - | |
| dw | [mm] | 39.55 | - | - | - | |
| ew | [mm] | 9.9 | - | 9.9 | - | |
| FT,1,Rd | [kN] | 898 | - | 901 | - | |
| MODO 2 | ||||||
| Mpl,2,Rd | [Nmm] | 6490x103 | - | 5180x103 | - | |
| Ft,Rd | [N] | 203x103 | - | 203x103 | - | |
| Perno en una fila | [uds] | 2 | - | 2 | - | |
| ∑Ft,Rd | [N] | 406x103 | - | 406x103 | - | |
| FT,2,Rd | [kN] | 398 | - | 377 | - | |
| MODO 3 | ||||||
| FT,3,Rd | [kN] | 406 | - | 406 | - | |
| ω | [-] | - | 1.0 | - | ||
| beff,t,wc | [mm] | - | = ℓeff,2 = 233 | - | ||
| fy,wc | [N/mm2] | - | = fy,c = 265 | - | ||
| RESISTENCIA | Ft,fc,Rd | Ft,wc,Rd | Ft,ep,Rd | |||
| [kN] | 398 | 790 | 377 | |||
| NOTA | no es aplicable |
La resistencia de la fila de pernos 1 es el valor más pequeño de las resistencias mencionadas anteriormente. Por lo tanto, Ft,1,Rd = min {Ft,fc,Rd = 398; Ft,wc,Rd = 790; Ft,ep,Rd = 377} = 377 kN.
FILA DE PERNOS 2 Primero, considera la fila 2 sola.
Placa terminal en flexión La fila de pernos 2 es la primera fila de pernos debajo del ala de la viga, considerada como la 'primera fila de pernos debajo del ala de tensión de la viga'. Las dimensiones clave para el T-stub se muestran para el T-stub del ala de la columna en la fila 1 y como se muestra a continuación (en elevación) para la fila 2.
Resumen del cálculo de resistencia:
| Parámetro | Unidad | Ala de la columna en flexión | Alma de la columna en tensión transversal | Placa terminal en flexión | Alma de la viga en tensión | |
| m | [mm] | - | - | = mp = 38.6 | - | |
| m2 | [mm] | - | - | 34.8 | - | |
| e | [mm] | - | - | = ep = 75 | - | |
| ℓeff,1 | [mm] | - | - | 243 | - | |
| ℓeff,2 | [mm] | - | - | 290 | - | |
| MODO 1 | ||||||
| n | [mm] | - | - | 48.3 | - | |
| tf | [mm] | - | - | 25 | - | |
| fy | [N/mm2] | - | - | 265 | - | |
| Mpl,1,Rd | [Nmm] | - | - | 10.1x103 | - | |
| ew | [mm] | - | - | 9.9 | - | |
| FT,1,Rd | [kN] | - | - | 1291 | - | |
| MODO 2 | ||||||
| Mpl,2,Rd | [Nmm] | - | - | 12.0x106 | - | |
| Ft,Rd | [N] | - | - | 203x103 | - | |
| Perno en fila | [uds] | - | - | 2 | - | |
| ∑Ft,Rd | [N] | - | - | 406x103 | - | |
| FT,2,Rd | [kN] | - | - | 502 | - | |
| MODO 3 | ||||||
| FT,3,Rd | [kN] | - | - | 406 | - | |
| ω | [-] | - | - | - | 1.0 | |
| beff,t,wc | [mm] | - | - | - | 243 | |
| twb | [mm] | - | - | - | 10.1 | |
| fy,wc | [N/mm2] | - | - | - | 675 | |
| RESISTENCIA | Ft,fc,Rd | Ft,wc,Rd | Ft,ep,Rd | Ft,wb,Rd | ||
| [kN] | 398 | 790 | 406 | 675 | ||
| NOTA | calculado para la fila de pernos 1, Modo 2 | calculado para la fila de pernos 1 |
Las resistencias para la fila 2 arriba consideran la fila actuando sola. Sin embargo, en el lado de la columna, la resistencia puede estar limitada por la resistencia del grupo de filas 1 y 2. La resistencia de grupo se considera ahora.
FILAS 1 Y 2 COMBINADAS Ala de la columna en flexión
Resumen del cálculo de resistencia:
| Parámetro | Unidad | Ala de la columna en flexión | Alma de la columna en tensión transversal | Placa terminal en flexión | |
| m | [mm] | 33.4 | - | - | |
| ℓeff,1 | [mm] | 332 | - | - | |
| ℓeff,2 | [mm] | 332 | - | - | |
| MODO 1 | |||||
| n | [mm] | 41.8 | - | - | |
| tf | [mm] | 20.5 | - | - | |
| fy | [N/mm2] | 265 | - | - | |
| Mpl,1,Rd | [Nmm] | 9.24x103 | - | - | |
| ew | [mm] | 9.9 | - | - | |
| FT,1,Rd | [kN] | 1420 | - | - | |
| MODO 2 | |||||
| Mpl,2,Rd | [Nmm] | 9.24x106 | - | - | |
| Ft,Rd | [N] | 203 | - | - | |
| Pernos | [uds] | 4 | - | - | |
| ∑Ft,Rd | [N] | 812 | - | - | |
| FT,2,Rd | [kN] | 697 | - | - | |
| MODO 3 | |||||
| FT,3,Rd | [kN] | 812 | - | - | |
| ω | [-] | - | 1.0 | - | |
| beff,t,wc | [mm] | - | 332 | - | |
| twb | [mm] | - | 12.8 | - | |
| fy,wc | [N/mm2] | - | 265 | - | |
| RESISTENCIA | Ft,fc,Rd | Ft,wc,Rd | Ft,ep,Rd | ||
| [kN] | 697 | 1126 | - | ||
| NOTA | No hay modo de grupo para la placa terminal |
Resistencia de las filas de pernos 1 y 2 es el valor más pequeño de resistencias Ala de la columna en flexión y Alma de la columna en tensión, es decir Ft,1-2,Rd = min {Ft,fc,Rd = 697; Ft,wc,Rd = 1126} = 697 kN. La resistencia de la fila de pernos 2 en el lado de la columna está por lo tanto limitada a Ft2,c,Rd = Ft,1-2,Rd - Ft1,Rd = 697 - 377 = 320 kN.
Resistencia de la fila de pernos 2 es el valor más pequeño de resistencias: Ala de la columna en flexión Ft,fc,Rd = 398 kN, Alma de la columna en tensión Ft,wc,Rd = 790 kN, Alma de la viga en tensión Ft,wb,Rd = 675 kN, Placa terminal en flexión Ft,ep,Rd = 406 kN y Lado de columna, como parte del grupo, Ft2,c,Rd = 320 kN. Por lo tanto, la resistencia de la fila de pernos 2 Ft,2,Rd = 320 kN.
FILA DE PERNOS 3 Primero, considera la fila 3 sola.
Resumen del cálculo de resistencia:
| Parámetro | Unidad | Ala de la columna en flexión | Alma de la columna en tensión transversal | Placa terminal en flexión | Alma de la viga en tensión | |
| e | [mm] | - | - | = ep = 75 | - | |
| m | [mm] | - | - | 38.6 | - | |
| ℓeff,1 | [mm] | - | - | 248 | - | |
| ℓeff,2 | [mm] | - | - | 248 | - | |
| MODO 1 | ||||||
| n | [mm] | - | - | 48.3 | - | |
| tf | [mm] | - | - | 25 | - | |
| fy | [N/mm2] | - | - | 265 | - | |
| Mpl,1,Rd | [Nmm] | - | - | 10.1x106 | - | |
| ew | [mm] | - | - | 9.9 | - | |
| FT,1,Rd | [kN] | - | - | 1291 | - | |
| MODO 2 | ||||||
| Mpl,2,Rd | [Nmm] | - | - | 10.3x106 | - | |
| Ft,Rd | [N] | - | - | 203 | - | |
| Pernos | [uds] | - | - | 2 | - | |
| ∑Ft,Rd | [N] | - | - | 406 | - | |
| FT,2,Rd | [kN] | - | - | 463 | - | |
| MODO 3 | ||||||
| FT,3,Rd | [kN] | - | - | 406 | - | |
| beff,t,wb | [mm] | - | - | - | = beff,1 = 243 | |
| twb | [mm] | - | - | - | 10.1 | |
| RESISTENCIA | Ft,fc,Rd | Ft,wc,Rd | Ft,ep,Rd | Ft,wb,Rd | ||
| [kN] | 790 | 790 | 406 | 675 | ||
| NOTA | calculado para las filas de pernos 1 y 2 | calculado para las filas de pernos 1 y 2 |
Las resistencias para las filas 2 y 3 arriba consideran la resistencia de la fila actuando sola. Sin embargo, en el lado de la columna, la resistencia puede estar limitada por la resistencia del grupo de filas 1, 2 y 3, o por el grupo de filas 2 y 3. En el lado de la viga, la resistencia puede estar limitada por el grupo de filas 2 y 3. Estas resistencias de grupo se consideran ahora.
PERNOS 1, 2 Y 3 COMBINADOS Ala de la columna en flexión Los patrones circular y no circular son como sigue:
Resumen del cálculo de resistencia:
| Parámetro | Unidad | Ala de la columna en flexión | Alma de la columna en tensión transversal | |
| ℓeff,1 | [mm] | 422 | - | |
| ℓeff,2 | [mm] | 422 | - | |
| MODO 1 | ||||
| m | [mm] | 33.4 | - | |
| n | [mm] | 41.8 | - | |
| ew | [mm] | 9.9 | - | |
| tf | [mm] | 20.5 | - | |
| fy | [N/mm2] | 265 | - | |
| Mpl,1,Rd | [Nmm] | 11.7x106 | - | |
| FT,1,Rd | [kN] | 1797 | - | |
| MODO 2 | ||||
| Mpl,2,Rd | [Nmm] | 11.7x106 | - | |
| Ft,Rd | [kN] | 203 | - | |
| Pernos | [uds] | 6 | - | |
| ∑Ft,Rd | [kN] | 1218 | - | |
| FT,2,Rd | [kN] | 988 | - | |
| MODO 3 | ||||
| FT,3,Rd | [kN] | 1218 | - | |
| ω | [-] | - | 1.0 | |
| beff,t,wc | [mm] | - | 422 | |
| twc | [mm] | - | 12.8 | |
| RESISTENCIA | Ft,fc,Rd | Ft,wc,Rd | ||
| [kN] | 988 | 1431 |
La resistencia de las filas de pernos 1, 2 y 3 combinadas, en el lado de la columna, es el valor más pequeño de Ala de la columna en flexión y Alma de la columna en tensión, que es 988 kN. Por lo tanto, la resistencia de la fila de pernos 3 en el lado de la columna está limitada a: Ft3,c,Rd = Ft1-3,Rd - Ft1-2,Rd = 988 - 697 = 291 kN.
FILAS 2 Y 3 COMBINADAS Resumen del cálculo de resistencia:
| Parámetro | Unidad | Lado de columna - ala en flexión | Alma de la columna en tensión transversal | Lado de la viga - placa terminal en flexión | Viga en tensión | |
| m | [mm] | 33.4 | - | 38.6 | - | |
| n | [mm] | 41.8 | - | 48.3 | - | |
| ew | - | - | 9.9 | - | ||
| ℓeff,1 | [mm] | 323 | - | 379 | - | |
| ℓeff,2 | [mm] | 323 | - | 379 | - | |
| MODO 1 | (filas 2 + 3) | |||||
| Mpl,1,Rd | [Nmm] | 9.24x103 | 9.0x106 | 15.7x106 | - | |
| FT,1,Rd | [kN] | 1383 | - | 2007 | - | |
| MODO 2 | (filas 2 + 3) | |||||
| Mpl,2,Rd | [Nmm] | 9.0x106 | - | 15.7x106 | - | |
| Ft,Rd | [kN] | 203 | - | 203 | - | |
| Pernos | [uds] | 4 | - | 4 | - | |
| ∑Ft,Rd | [kN] | 812 | - | 812 | - | |
| FT,2,Rd | [kN] | 691 | - | 813 | - | |
| MODO 3 | (filas 2 + 3) | |||||
| FT,3,Rd | [kN] | 1218 | - | 812 | - | |
| ω | [-] | - | 1.0 | - | - | |
| beff,t,wc | [mm] | - | 323 | - | - | |
| twb | [mm] | - | 12.8 | - | - | |
| fy,wc | [N/mm2] | - | 265 | - | - | |
| RESISTENCIA | Ft,fc,Rd | Ft,wc,Rd | Ft,ep,Rd | |||
| [kN] | 691 | 1096 | 812 | - | ||
| NOTA | no es aplicable |
La resistencia de las filas de pernos 2 y 3 combinadas, en el lado de la viga, es Placa terminal en flexión Ft,ep,Rd = 812 kN. Por lo tanto, en el lado de la viga Ft2-3,Rd = 812 kN. La resistencia de la fila de pernos 3 en el lado de la viga está por lo tanto limitada a Ft3,b,Rd = Ft2-3,Rd - Ft2,Rd = 812 - 320 = 492 kN.
La resistencia de las filas de pernos 2 y 3 combinadas, en el lado de la columna, es Ala de la columna en flexión Ft,fc,Rd = 691 kN, Alma de la columna en tensión Ft,wc,Rd = 1096 kN, por lo tanto, en el lado de la columna Ft2-3,Rd = 691 kN. Por lo tanto, la resistencia de la fila de pernos 3 en el lado de la columna está limitada a Ft3,b,Rd = Ft2-3,Rd - Ft2,Rd = 691 - 320 = 371 kN.
Resumen La resistencia de la fila de pernos 3 es el valor más pequeño entre las siguientes resistencias: Ala de la columna en flexión Ft,fc,Rd = 398 kN, Alma de la columna en tensión Ft,wc,Rd = 790 kN, Alma de la viga en tensión Ft,wb,Rd = 675 kN, Placa terminal en flexión Ft,ep,Rd = 406 kN, Lado de la columna como parte de un grupo con 2 y 1 Ft3,c,Rd = 291 kN, Lado de la columna como parte de un grupo con 2 Ft3,c,Rd = 371 kN, Lado de la viga como parte de un grupo con 2 Ft3,b,Rd = 492 kN. Por lo tanto, la resistencia de la fila de pernos 3 es Ft3,Rd = 291 kN.
RESUMEN DE RESISTENCIAS A TENSIÓN La derivación de las resistencias efectivas de las filas de tensión anteriores puede resumirse en forma tabular, como se muestra a continuación.
Resistencias de filas Ftr,Rd:
| Ala de la columna | Alma de la columna | Placa terminal | Alma de viga | Mínimo | Resistencia efectiva | ||
| Fila 1, sola | 398 | 790 | 377 | N/A | 377 | 377 | |
| Fila 2, sola | 398 | 790 | 406 | 675 | 398 | ||
| Fila 2, con fila 1 | 697 | 1126 | N/A | N/A | 697 | ||
| Fila 2 | 697 - 377 | 320 | |||||
| Fila 3, sola | 398 | 790 | 406 | 675 | 309 | ||
| Fila 3, con fila 1 y 2 | 988 | 1431 | N/A | N/A | 988 | ||
| Fila 3 | 988 - 697 | 291 | |||||
| Fila 3, con fila 2 | 691 | 1096 | 812 | 1052 | 691 | ||
| Fila 3 | 691 - 320 |
Zona de Compresión
Alma de la columna en compresión transversal La resistencia de diseño de un alma de columna no rigidizada en compresión transversal se determina como sigue:
| donde | ||
| s | = rc = 12.7 mm para secciones de columna I y H laminadas en caliente | |
| sp | es la longitud obtenida por dispersión a 45° a través de la placa terminal; sp = 2 tp = 50 mm | |
| ex | es la distancia al extremo medida desde el centro del sujeción de la fila 1; ex = 50 mm | |
| x | es el espaciamiento de la fila 1 sobre el ala de la viga medido desde el centro del sujeción; x = 40 mm | |
| sf | es el tamaño del cordón de soldadura; sf = 8 mm | |
| hp | es la altura de la placa terminal; hp ≥ ex + x + hb + sf + tp = 656 mm → hp = 670 mm | |
| beff,c,wc | para una placa terminal atornillada; beff,c,wc = tfb + 2 sf + 5 (tfc + s) + sp = 248 mm | |
| ρ | es el factor de reducción para el pandeo de la placa, depende de la placa; ρ = 1.0 | |
| ω | = 1.0 | |
| kwc | es un factor de reducción que considera la compresión en el alma de la columna; kwc = 1.0 |
Por lo tanto, Fc,wc,Rd = 841 kN.
Ala y alma de la viga en compresión La resistencia de diseño resultante de un ala de viga y la zona de compresión adyacente del alma se determina utilizando:
| donde | ||
| Mc,Rd | es la resistencia de diseño de la viga; asumiendo que la fuerza cortante de diseño en la viga no reduce Mc,Rd, por lo tanto, Mc,Rd = 649 kN | |
| h | = hb = 533.1 mm | |
| tfb | = 15.6 mm |
Así, Fc,fb,Rd = 1254 kN.
Resumen: resistencia de la zona de compresión Alma de la columna en compresión transversal Fc,wc,Rd = 841 kN, Ala y alma de la viga en compresión Fc,fb,Rd = 1254 kN.
Resistencia del panel del alma de la columna al cortante La resistencia plástica al cortante de un alma no rigidizada se da por:
La resistencia no se evalúa aquí, ya que no hay esfuerzo cortante de diseño en el alma porque los momentos de las vigas son iguales y opuestos.
Resistencia al Momento
RESISTENCIA EFECTIVA DE LAS FILAS DE PERNOS
Las resistencias efectivas de cada una de las tres filas de pernos en la zona de tensión son: Ft1,Rd = 377 kN, Ft2,Rd = 320 kN, Ft3,Rd = 291 kN.
Las resistencias efectivas deben reducirse si la resistencia de una de las filas superiores excede 1.9 Ft,Rd = 1.9 x 203 = 386 kN. Por lo tanto, no es necesario ninguna reducción.
EQUILIBRIO DE FUERZAS La suma de las fuerzas de tracción, junto con cualquier compresión axial en la viga, no puede exceder la resistencia de la zona de compresión. Del mismo modo, la fuerza cortante de diseño no puede exceder la resistencia al cortante del panel del alma de la columna. Esto no es relevante en este ejemplo, ya que los momentos en las vigas idénticas son iguales y opuestos.
Para el equilibrio horizontal ∑Ftr,Rd + NEd = Fc,Rd. En este ejemplo, no hay compresión axial. Por lo tanto, ∑Ftr,Rd = Fc,Rd.
Aquí, la resistencia total efectiva a la tracción ∑Ftr,Rd = 377 + 320 + 291 = 988 kN que excede la resistencia a compresión Fс,Rd = 841 kN. Para lograr el equilibrio, las resistencias efectivas se reducen, comenzando en la fila más baja y subiendo, hasta alcanzar el equilibrio. Reducción requerida 988 - 841 = 147 kN. Toda esta reducción puede lograrse reduciendo la resistencia de la fila inferior. Por lo tanto, Ft3,Rd = 291 - 147 = 144 kN.
RESISTENCIA AL MOMENTO DE LAS FUERZAS La resistencia al momento de la unión viga-columna Mj,Rd:
Tomando el centro de compresión como el medio del espesor del ala de compresión de la viga, hr1 = 565 mm, hr2 = 465 mm, hr3 = 375 mm. Por lo tanto, la resistencia al momento de la unión viga-columna es:
Mj,Rd = 416 kNm.
Resistencia al Cortante Vertical
RESISTENCIA DEL GRUPO DE PERNOS La resistencia al cortante de un perno M24 clase 8.8 no pre-cargado en cortante simple es Fv,Rd = 136 kN, Fb,Rd = 200 kN (en chapa de 20 mm). Por lo tanto, Fv,Rd gobierna.
La resistencia al cortante de las filas superiores puede tomarse conservadoramente como el 28% de la resistencia al cortante sin tensión (asumiendo que estos pernos están completamente utilizados en tensión). Por lo tanto, la resistencia al cortante de las 4 filas es (2 + 6 x 0.28) 136 = 3.68 x 136 = 500 kN.
Diseño de Soldaduras
El enfoque simple requiere que las soldaduras al ala de tracción y al alma sean de resistencia completa, mientras que la soldadura al ala de compresión es solo de tamaño nominal, asumiendo que ha sido preparada con un extremo cortado a sierra.
SOLDADURAS DEL ALA DE TRACCIÓN DE LA VIGA Una soldadura de resistencia completa se proporciona mediante soldaduras de filete simétricas con un grosor de garganta total al menos igual al espesor del ala. El tamaño de garganta requerido es tfb/2 = 15.6/2 = 7.8 mm. La garganta de soldadura proporcionada es af = 12/√2 = 8.5 mm, que es adecuada.
SOLDADURAS DEL ALA DE COMPRESIÓN DE LA VIGA Proporcionar una soldadura de filete nominal en cada lado del ala de la viga. Una soldadura de filete de longitud de cordón de 8 mm será satisfactoria.
SOLDADURAS DEL ALMA DE LA VIGA Por conveniencia, se proporciona una soldadura de resistencia completa al alma. El tamaño de garganta requerido es tfw/2 = 10.2/2 = 5.1 mm. La garganta de soldadura proporcionada es ap = 8/√2 = 5.7 mm, que es adecuada.
ANÁLISIS BASEADO EN FE DE COMPONENTES
El diseño se ha llevado a cabo utilizando el complemento Steel Joints para RFEM 6. El complemento Steel Joints permite el análisis de conexiones basadas en un modelo FE. La entrada y evaluación de resultados están totalmente integradas en la interfaz de usuario del software FEA estructural RFEM, haciendo el proceso de diseño intuitivo y rápido.
Configuración de la Unión
| Columna | 254x254x107 UKC | S275 |
| Viga | sección definida paramétricamente | |
| hb = 533.1 mm, bb = 209.3 mm, twb = 10.1 mm, tfb = 15.6 mm | S275 | |
| Placa terminal | 670x250x25 mm | S275 |
| Perno | M24 clase 8.8 | |
| Soldaduras | Soldaduras de filete ala superior sf1 = 8.5 mm, ala inferior sf2 = 5.7 mm, alma sw = 5.7 mm |
Resultados del Complemento Steel Joints
El complemento Steel Joints para RFEM 6 mejora las capacidades del software permitiendo a los ingenieros analizar conexiones de acero con la precisión de un modelo de elemento finito (FE). Esta herramienta avanzada permite la visualización detallada de todos los resultados esenciales directamente en el modelo FE, proporcionando una visión clara y completa sobre el rendimiento de las conexiones de acero bajo diversas cargas y condiciones.
Incluye la visualización de tensiones equivalentes y deformaciones plásticas dentro de la conexión de acero. Al mostrar tanto tensiones equivalentes como deformaciones plásticas, RFEM ofrece una comprensión más completa del comportamiento de la conexión bajo condiciones reales, asegurando que el diseño sea tanto seguro como eficiente.
TENSIONES EQUIVALENTES Las tensiones equivalentes proporcionan una visión clara de la distribución general de tensiones, ayudando a los ingenieros a identificar posibles puntos de falla causados por concentraciones de tensiones excesivas. Estas tensiones son esenciales para comprender la capacidad de carga de la conexión.
Aquí, se puede ver la distribución de tensiones en el ala de la columna y la placa terminal de la viga.
DEFORMACIÓN PLÁSTICA Las placas en la conexión se diseñan plásticamente al comparar la deformación plástica existente con la deformación plástica permitida. La configuración por defecto es del 5%, según EN 1993‑1‑5, Anexo C. A continuación se muestra la deformación plástica en la unión:
ANÁLISIS TENSIÓN-DEFORMACIÓN
Conclusiones
El artículo presenta dos métodos para diseñar uniones viga-columna. El método analítico es complejo y desafiante de manejar manualmente, especialmente cuando se trata de optimización. Implica calcular las resistencias de cada componente y compararlas con las fuerzas que actúan sobre esos componentes.
El segundo método es el enfoque CBFEM, implementado en el complemento Steel Joints de RFEM 6. En este método, la unión se ensambla, y las fuerzas para análisis se derivan del modelo principal FE. La unión ensamblada se verifica bajo las fuerzas aplicadas a través del análisis tensión-deformación de las placas de acero. Además, el diseño de soldaduras y sujetadores se lleva a cabo de acuerdo con los estándares EN relevantes.
Mientras que el método analítico es ampliamente utilizado, el segundo método es mucho más rápido, proporcionando resultados precisos al tiempo que reduce significativamente el tiempo de cálculo. También permite una optimización fácil y rápida.
A continuación se muestra una comparación de los resultados. La resistencia al momento Mj,Rd calculada utilizando el enfoque analítico es de 416 kNm, mientras que el valor de CBFEM en el complemento Steel Joints es de 415 kNm. La diferencia es menor al 1%, con Δ = -0.24%, ilustrando la fiabilidad y precisión del método CBFEM implementado en el complemento Steel Joints.
El modelo puede encontrarse a continuación:
REFERENCIAS
[1] Brown, D., Iles, D., Brettle, M., Malik, A., y BCSA/SCI Connections Group. (2013). Uniones en construcción de acero: Uniones resistentes a momentos según el Eurocódigo 3. Vol BCSA/SCI Connections Group. Londres: The British Constructional Steelwork Association Limited.