29005x
001532
2018-08-14

Połączenia płyt żebrowych: teoria i przykład zastosowania

Połączenia na blachę środkową są popularną formą przegubowych połączeń stalowych, powszechnie stosowaną w przypadku belek drugorzędnych w konstrukcjach stalowych. Sie können problemlos in oberkantenbündigen Trägerkonstruktionen wie beispielsweise Arbeitsbühnen verwendet werden. Der Herstellungsaufwand in der Werkstatt sowie der Montageaufwand auf der Baustelle sind in der Regel überschaubar. Die Bemessung erscheint recht einfach und schnell erledigt, was aber im Nachfolgenden ein Stück weit wieder relativiert werden muss. Außerdem ist diese Anschlussform grundsätzlich als gelenkige Träger-Träger- und gelenkige Träger-Stützen-Verbindung möglich, wobei der erste Fall der wohl weit häufigere in der Bemessungspraxis ist.

W niniejszym artykule w pierwszej kolejności zostaną przedstawione najczęstsze formy połączeń blach zakładkowych, a następnie zostaną wyszczególnione ich wady i zalety, a niektóre z nich zostaną szczegółowo wyjaśnione. Połączenia belek ze słupami nie są dalej uwzględniane, nawet jeśli zasadniczo są one możliwe. Ponadto nie należy lekceważyć kwestii operacyjnych. Niestety, podczas wymiarowania połączeń stalowych zdarza się, że praktyczność połączenia nie jest lub jest uwzględniana w niewystarczającym stopniu. Dlatego te możliwe kwestie również powinny zostać omówione w niniejszym artykule.

W drugiej części tego artykułu zostaną pokazane i wyjaśnione na przykładzie obliczonym w RF-/JOINTS Steel - Pinned obliczenia i wymiarowanie połączeń na blachę zakładkową zgodnie z EN 1993-1-8 [1]. W tym artykule skupiono się na niektórych obliczeniach, które czasami są pomijane w praktyce projektowej. Istnieje wiele przyczyn takiego stanu rzeczy, najczęściej są to dwa: Obliczenia nie powinny być zbyt skomplikowane, ponieważ, jak wiadomo, dotyczą "tylko" połączenia belki podrzędnej. Inżynier-projektant nie posiada wiedzy na temat konieczności przeprowadzenia takiego lub innego projektu.

W niniejszym artykule należy wyjaśnić konieczność zastosowania jednego lub drugiego projektu. Wreszcie, w przypadku uszkodzenia, fałszywy argument: „W przeszłości zawsze działał bez tej konstrukcji!” nie będzie bardzo pomocne. Podczas obliczeń bardzo szybko staje się oczywiste, jak skomplikowane jest obliczenie połączenia przegubowego z blachą zakładkową i jak przydatny może być program do obliczeń, taki jak RF-JOINTS Steel - Pinned, aby umożliwić ekonomiczne obliczenia zgodnie z odpowiednimi normami w rozsądnym czasie .

W ostatniej sekcji pokażemy, jak dużą wadą jest stosowanie połączeń na blachę zakładkową i innych połączeń przegubowych: często znaczne zmniejszenie krytycznego momentu wyboczeniowego. Większość połączeń przegubowych, a w szczególności połączeń z blachami zakładkowymi, nie może być uznana za utwierdzenia boczne i skrętne, co może prowadzić do znacznego zmniejszenia nośności belek zagrożonych statecznością.

Wymiarowanie połączeń płytowych

W tym rozdziale zostaną pokazane i ocenione najbardziej powszechne formy połączeń zakładkowych, jako połączenia belka-belka, z uwzględnieniem ich zalet i wad w obliczeniach i projektowaniu, a także podczas produkcji i montażu. Wymienione punkty są jedynie sugestiami i nie roszczą sobie prawa do twierdzenia o ich kompletności.

Zasadniczo, połączenia na blachach zakładkowych mogą być wykorzystywane zarówno jako połączenia belek ze słupami, jak i belki, podczas gdy połączenia belek ze słupami nie będą tutaj szczegółowo omawiane. W większości przypadków inne typy połączeń przegubowych są bardziej korzystne dla połączeń belki ze słupem.

Głównym problemem związanym z połączeniami na blachę zakładkową podczas montażu jest to, że nie jest możliwe dokładne skompensowanie tolerancji wykonawczych, takich jak nadmierna długość lub krótkie długości belki, jak to jest możliwe w przypadku połączeń z krótkimi blachami czołowymi i połączeń kątowych. W tym przypadku belki są produkowane z niewielką długością, zgodnie z maksymalną tolerancją, która odpowiada normie. Uzyskany w ten sposób krótki odcinek można następnie wyrównać na miejscu za pomocą dostarczonych płyt nośnych.

Fakt, że ten sposób nie jest możliwy w przypadku połączeń na blachę zakładkową, sprawia, że nie powinny one być umieszczane między dwoma słupami, ponieważ może się zdarzyć, że belka może zostać zmontowana tylko przy użyciu siły. Oprócz tego, że monterzy mają z tym problemy, na układ konstrukcyjny wprowadzane są efekty związane z utwierdzeniem, których należy właściwie unikać.

Dużą zaletą połączeń z płytami zakładkowymi jest, ogólnie rzecz biorąc, mniejsza konstrukcja rozdrobniona w porównaniu z większością innych typów połączeń przegubowych. Nie są potrzebne żadne drobne części z wyjątkiem śrub.

Poniżej dwa najpopularniejsze typy połączeń na blachę zakładkową zostaną pokazane jako połączenie belki z belką. Jest to traktowane jako połączenie z "długą" lub "krótką" blachą żebrową.

Połączenie typu "długa" blacha zakładkowa:

Połączenia z "długą" blachą zakładkową charakteryzują się tym, że w połączonej belce nie jest wymagane podcinanie, dzięki czemu powstaje długa blacha zakładkowa. Dwie główne zalety tego typu połączenia to, po pierwsze, prawdopodobnie mniejszy nakład pracy w warsztacie, ponieważ nie jest wymagane skomplikowane nacinanie, a po drugie, nie należy spodziewać się problemów podczas wstawiania pojedynczej belki podczas montażu.

Główną wadą tego typu połączenia jest fakt, że często jest ono dalekie od utwierdzenia bocznego i skrętnego. Jeżeli zwichrzenie jest możliwe dla tej belki, podczas wymiarowania należy wziąć pod uwagę małą sztywność połączenia przy skręcaniu. Ponieważ obliczenia konstrukcyjne konstrukcji stalowych są często wykonywane przez inną osobę niż obliczenia połączeń, może to powodować problemy.

Ponieważ w przypadku tego typu połączenia blacha zakładkowa jest również przyspawana do jednego lub obu pasów głównej belki, tworzona jest pewnego rodzaju przegroda. W przypadku stosowania konstrukcji zanurzanych na gorąco, powoduje to dodatkowe nawiercenia i wycięcia w płycie żebrowej, aby ciekły cynk mógł spłynąć podczas wyciągania z kąpieli cynkowej. To, czy projektant musi to uwzględnić, zależy od zawartej umowy. Podczas analizy statyczno-wytrzymałościowej lub wymiarowania te dodatkowe otwory są zwykle pomijane.

Ze względu na duży mimośród dla tego typu połączenia, szybko potrzebne są płyty o większej grubości dla żebra. To z kolei powoduje, że spoiny muszą być projektowane jako bardzo wytrzymałe, ponieważ powinny mieć większy stan graniczny nośności niż połączona płyta, aby zapewnić ciągliwe zachowanie elementu konstrukcyjnego. Należy przy tym pamiętać, że w przypadku spoin pachwinowych o grani 6 mm i więcej, konieczne jest spawanie wielowarstwowe. W ten sposób połączenie staje się szybko nieekonomiczne pod względem materiałowym i produkcyjnym.

Połączenie typu „krótka” blacha żeberkowa:

Ten typ połączenia posiada wszystkie zalety konfiguracji z "długą" blachą zakładkową, z wyjątkiem gwarantowanego bezproblemowego montażu pojedynczej belki. W przypadku mniejszych rozstawów belek może się zdarzyć, że pojedynczej belki nie będzie można wsunąć w miejsce montażu.

Ponieważ jednak pomosty robocze i pomosty są często wstępnie montowane na ziemi, a następnie wstawiane i instalowane na miejscu montażu w całości lub w dużych częściach (montaż), przypadek wstawienia pojedynczej belki i problemy z tym związane są rzadkością . W każdym przypadku inżynier-projektant i/lub projektant powinien zapoznać się z technologią montażu firmy wykonawczej.

Dodatkową zaletą tej opcji z "krótką" blachą żebrową jest na ogół dość mały mimośród połączenia, co często powoduje bardziej ekonomiczne wyniki niż opcja z "długim" żebrem.

Wadą tego typu połączenia jest zwykle konieczne nacięcie belki drugorzędnej, co w niektórych przypadkach powoduje dwa, a nawet trzy problemy. Przede wszystkim należy wspomnieć o dodatkowym nakładzie pracy przy produkcji, który nie dotyczy nowoczesnych warsztatów.

Drugim problemem jest nośność dolnej belki w obszarze z nacięciem. Konieczne są tutaj dodatkowe obliczenia, które w niektórych przypadkach stają się również obliczeniami nadrzędnymi. Dzieje się tak szczególnie w przypadku, gdy wymagane są podcięcia na obu końcach (tj. na górnym i dolnym pasie belki). Dzieje się tak często, gdy belka drugorzędna i główna są prawie równe.

Trzeci problem, który może wynikać z podcięcia, występuje tylko w konstrukcjach zanurzanych na gorąco ze stali konstrukcyjnych o wysokiej wytrzymałości (od S355). W tym miejscu należy sprawdzić, czy podczas procesu cynkowania nie powstają rysy w obszarze karbów. Można to przeprowadzić poprzez obliczenia lub klasyfikację detalu zgodnie z wytyczną 022 DASt (Niemiecki Komitet ds. Konstrukcji Stalowych). Drugi może być normalnym przypadkiem.

Przykład obliczeniowy krótkiego połączenia z karbowanymi płytami żebrowymi

W tym rozdziale zostaną pokazane i częściowo wyjaśnione obliczenia i obliczenia połączenia na blachę zakładkową zgodnie z EN 1993-1-8 [1]. Rycina 03 przedstawia rozpatrywany pomost roboczy. Ma powierzchnię podstawy 4,00 mx 4,00 m, jest przymocowany z jednej strony za pomocą wieszaków do głównego pomostu powyżej, az drugiej strony jest połączony z konstrukcją główną. W związku z tym platforma może zostać „oddzielona” od obliczeń globalnych ze względu na podporę, co nie jest bezwzględnie konieczne, ale często pomaga w bardziej przejrzystych, a czasem szybszych obliczeniach i obliczeniach.


Poniżej zakłada się, że rozpatrywana platforma jest wstępnie zmontowana na ziemi, a następnie wstawiona i zainstalowana na placu budowy jako całość. Z tego względu zastosowany zostanie typ połączenia z krótką blachą zakładkową.

(Wstępne) obliczenia przy użyciu modułu dodatkowego Rf-/STEEL EC3 zostały przeprowadzone w przekroju belki głównej IPE220-S235JR oraz belki podestu IPE180-S235JR. Ze względu na czynniki projektowe wieszaki są wykonywane jako IPE160-S235JR. Usztywnienia pomostu nie należy tutaj uwzględniać.

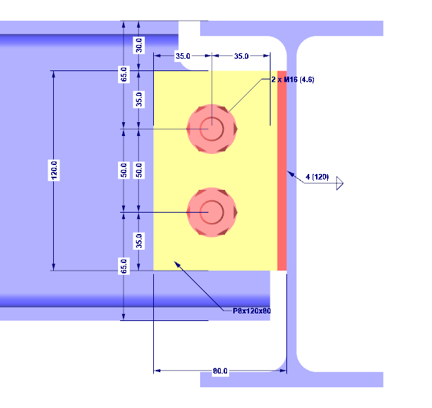
Rysunek 04 przedstawia połączenie na blachę zakładkową wraz z jego najważniejszymi wymiarami. Więcej wymiarów zostanie prawdopodobnie wskazanych podczas projektowania. Siły wewnętrzne w połączeniu powodują:

Zanim obliczenia zostaną szczegółowo i częściowo wyjaśnione, należy najpierw wspomnieć o oczywistym wymogu: wysokość blachy zakładkowej musi być mniejsza niż wysokość belki drugorzędnej. Wymaganie to powinno zapobiegać kontaktowi między połączoną belką a podpierającymi elementami konstrukcyjnymi. Cel ten jest realizowany przez pierwszy komponent obliczeniowy, który zostanie przedstawiony poniżej.

Dostępny obrót w połączeniu przegubowym:

Jest to jedno z tych obliczeń, które można łatwo pominąć w praktyce obliczeniowej, ale umożliwia on przyjęcie połączenia przegubowego w miejscu, w którym przyjęto je podczas obliczania sił wewnętrznych. W tym przypadku zakładany jest punkt obrotu w geometrycznym środku ciężkości układu śrub. Następnie obliczany jest kąt, od którego następuje kontakt między pasem dźwigara a podpierającym elementem konstrukcyjnym (w tym przypadku głównym środnikiem dźwigara).

Kontakt jest w zasadzie możliwy.

Połączenie może przenosić powstałe obroty o 0,45°, obliczenie jest spełnione.

Zapobieganie przedwczesnemu uszkodzeniu spoiny:

Zasadniczo obliczenia spoin należy przeprowadzić zgodnie z sekcją 4 normy EN 1993-1-8 [1]. W przypadku stosunkowo małych obciążeń w porównaniu do nośności połączonej belki na ścinanie, niezbędne spoiny mogą stać się bardzo cienkie. W takim przypadku nośność spoiny jest często mniejsza niż nośność innych elementów. W rezultacie możliwe uszkodzenie połączenia charakteryzuje się pęknięciem kruche spoiny. Połączenie prawie nie ma ciągliwości.

Wybrana grubość spoiny została przyjęta jako 4 mm. Kryterium jest zatem spełnione.

Zniszczenie przy ścinaniu pojedynczej śruby:

Jedyną trudnością w tym obliczeniu jest prawidłowy rozkład sił wewnętrznych połączenia na pojedyncze śruby. Zasadniczo rozkład sił jest opisany w kilku podręcznikach, dlatego nie jest on tutaj dalej omawiany.

Zniszczenie ciągliwe przy ścinaniu w grupie śrub:

Ten warunek obliczeniowy powinien zapewnić, że może nastąpić plastyczna redystrybucja sił wewnętrznych ze stanu rzeczywistego do stanu obliczeniowego. Kryterium to nigdy nie powinno być decydujące, co oznacza, że przy tej konstrukcji powinien wystąpić maksymalny stopień wykorzystania.

Zniszczenie nośne otworu na śrubę w płycie zakładkowej:

Ponieważ liczba płaszczyzn ścinania w połączeniu na blachę zakładkową wynosi zawsze 1, składowe siły odpowiadają składowym zniszczenia spowodowanego ścinaniem. Dlatego ponowne obliczenia nie są konieczne.

Zniszczenie przy ścinaniu w przekroju brutto blachy zakładkowej:

Zniszczenie przy ścinaniu w przekroju netto blachy zakładkowej:

Nośność na ścinanie w grupie śrub w płycie zakładkowej:

Obliczenia na nośność na ścinanie blokowe grupy śrub są obliczeniami standardowymi, podobnie jak nośność na ścinanie i docisk pojedynczej śruby, która nie została tutaj wyjaśniona. Więcej informacji na temat wzorów obliczeniowych można znaleźć w różnych podręcznikach.

Zniszczenie blachy zakładkowej przy zginaniu:

Ten mechanizm uszkodzenia może nie wystąpić w wielu przypadkach. Ponieważ wysiłek potrzebny do obliczenia nośności przy zginaniu blachy zakładkowej jest raczej możliwy do opanowania, wartość nośności jest zwykle obliczana zawsze. Można jednak wykluczyć, że ten mechanizm zniszczenia stanie się decydujący, jeżeli wysokość blachy żebrowej przekroczy 2,73-krotność ramienia dźwigni z. W takim przypadku nośność na zginanie jest zawsze wyższa niż nośność przy ścinaniu w przekroju brutto blachy zakładkowej.

Wyboczenie blachy żeberkowej:

W praktyce projektowej często zapomina się o tym projekcie. Może się zdarzyć, że w niesprzyjających warunkach geometrycznych stanie się on po prostu projektem nadrzędnym. Konstrukcja ta wywodzi się ze starego brytyjskiego rozporządzenia dotyczącego konstrukcji stalowych BS 5950-1 [3] z 2000 roku. W celu bliższego zbadania można odnieść się do niniejszego rozporządzenia oraz literatury komentującej.

Nośność przy wyboczeniu (właściwie to nośność przy wyboczeniu) zależy zatem od wytrzymałości płyty zakładkowej przy wyboczeniu, która z kolei zależy od smukłości płyty. Wartość wytrzymałości można zaczerpnąć z normy brytyjskiej BS 5950-1 [3] w tabeli 17, przy czym należy zauważyć, że stale konstrukcyjne o wytrzymałości S235 nie są lub są rzadko stosowane w Wielkiej Brytanii; dlatego dla tej stali nie podano wartości. Można jednak zastosować wartości S275 i granicę plastyczności S235.

Teoretycznie byłoby zatem możliwe obliczenie wyboczenia, co jednak nie jest uważane za właściwe. Wydaje się, że lepiej jest całkowicie wykluczyć tego typu uszkodzenie blachy żebrowej. Można przyjąć za pewnik, jeżeli spełnione są następujące warunki obliczeniowe.

Zniszczenie przy rozciąganiu blachy zakładkowej w przekroju brutto:

Takie obliczenie jest konieczne tylko w przypadku występowania w połączeniu sił normalnych. Pomimo niewielkich obciążeń od siły normalnej, które można zaklasyfikować jako pomijalne, obliczenia przeprowadza się ze względu na kompletność.

Zniszczenie przy rozciąganiu środnika dźwigara w przekroju netto:

Obliczenia wytrzymałościowe belki w obszarze podcięcia:

Ten projekt staje się często decydujący, gdy konieczne są nacięcia po obu stronach belki. Należy w tym miejscu zaznaczyć, że występujące momenty zginające i siły tnące w obszarze podcięcia belki mogą być bezpiecznie przejmowane.

Siła tnąca może zostać pominięta w dalszych obliczeniach. Teoretycznie można przeprowadzić obliczenia naprężenia równoważnego, które zostało jednak pominięte w poniższym tekście. Tylko naprężenie normalne od momentów zginających i ogni normalnych jest określane i weryfikowane.

Zniszczenie nośne otworu pod śrubę w środniku dźwigara:

Działające siły odpowiadają siłom w płycie żebrowej. Jednak nośności muszą zostać ponownie obliczone ze względu na różne grubości płyt.

Zniszczenie przy ścinaniu w przekroju brutto środnika dźwigara:

Zniszczenie przy ścinaniu w przekroju netto środnika dźwigara:

Nośność na ścinanie bloku w grupie śrub w środniku dźwigara:

Zniszczenie przy rozciąganiu środnika dźwigara w przekroju brutto:

Takie obliczenie jest konieczne tylko w przypadku występowania w połączeniu sił normalnych. Pomimo niewielkich obciążeń od siły normalnej, które można zaklasyfikować jako pomijalne, obliczenia przeprowadza się ze względu na kompletność.

Zniszczenie przy rozciąganiu środnika dźwigara w przekroju netto:

Zniszczenie środnika dźwigara przy zginaniu:

To obliczenie jest konieczne dla jedno- i dwukierunkowych, ale nierówno obciążonych połączeń z blachami zakładkowymi na środniku słupa. Obliczenia te należy przeprowadzić również w przypadku, gdy blacha zakładkowa jest spawana tylko do środnika dźwigara. Z pewnością nie jest to regułą ogólną, ponieważ w praktyce obliczeniowej blacha zakładkowa będzie spawana z co najmniej jednym pasem głównego dźwigara. W tym przykładzie taka konfiguracja połączenia została celowo wybrana, aby pokrótce przedstawić tę konstrukcję.

Ze względu na małe siły normalne, obliczenia nie będą również uwzględniane w praktyce obliczeniowej, ponieważ zniszczenie środnika głównego dźwigara można wykluczyć od samego początku.

W tym momencie wymiarowanie połączenia zostało pomyślnie zakończone. Wszystkie warunki obliczeniowe są spełnione.

Należy w tym miejscu podkreślić, że obliczenia zawierały tylko jedną kombinację obciążeń. Teoretycznie obliczenia należy przeprowadzać indywidualnie dla wszystkich możliwych kombinacji obliczeniowych, co byłoby bardzo obszerne. W praktyce obliczeniowej często wykorzystuje się siły wewnętrzne od obwiedni, co w najgorszym przypadku może prowadzić do bardzo nieekonomicznych połączeń.

Wpływ połączeń na stateczność elementu

Na koniec wymieniono największy problem, który występuje w przypadku połączeń na blachę zakładkową, a także innych typów połączeń przegubowych: częściowo duże odchylenie od utwierdzenia bocznego i skrętnego. Odchyłka ta, w przeciwieństwie do połączeń sztywnych, jest często nieprawidłowa, a tym samym ma duże znaczenie z punktu widzenia bezpieczeństwa.

Poniższy tekst nie pokazuje właściwej metody projektowania dla tego problemu, ale raczej pokazuje, jak inżynier projektu może sobie z tym poradzić.

W konstrukcjach stalowych często zdarza się, że inżynier odpowiedzialny za projektowanie belek nie projektuje wszystkich połączeń konstrukcji. Zwykle zaprojektuje podstawy słupów i główne połączenia konstrukcji, a przyłącza drugorzędne przekaże firmie wykonawczej. Inżynierowie i projektanci pracujący dla tej firmy wiedzą najlepiej, jakie połączenia są odpowiednie dla ich technologii w produkcji i montażu.

Duży problem w tej procedurze roboczej polega na tym, że projektant odpowiedzialny za projektowanie belek prawie nie zastanawia się, czy jego belki drugorzędne są połączone zgodnie z jego założeniami. W przypadku belek pomostów obciążonych ryzykiem zwichrzenia, które czasami może stanowić problem dla projektanta połączeń, może on często przyjąć utwierdzenie poprzeczne i skrętne na końcu belki. Powstaje tutaj pytanie, co projektant mógł już zrobić podczas projektowania belki, aby uprościć pracę późniejszemu projektantowi połączenia.

Stara niemiecka norma dotycząca konstrukcji stalowych DIN 18800-2 umożliwiała uwzględnienie podcięć belki w analizie zwichrzenia poprzez przypisanie belce z zębami współczynnika n = 2,0 (w przeciwieństwie do belki bez karbu n = 2,5). W obecnym Eurokodzie dla wyboczenia giętno-skrętnego odpowiadałoby to zaklasyfikowaniu do bardziej niekorzystnej krzywej zwichrzenia (na przykład z krzywej zwichrzenia b do c). Takie uwzględnienie karbu nie jest przewidziane w EN 1993-1-1 [2]. Ta zmiana klasyfikacji krzywej wyboczenia dla przegubowych belek drugorzędnych konstrukcji stalowej powinna być zawsze przeprowadzana, ponieważ daje to późniejszemu projektantowi połączeń możliwość uniknięcia konieczności tworzenia utwierdzenia bocznego i skręcania. Inną możliwością zmiany klasyfikacji krzywej wyboczenia byłoby ograniczenie stosunku belek drugorzędnych dla zwichrzenia do określonej wartości (na przykład 80%).

W ramach projektowania połączeń odpowiedzialny projektant musi mimo wszystko zweryfikować wymiarowanie belki drugorzędnej pod kątem mniejszej sztywności połączenia, co jest wówczas możliwe tylko wtedy, gdy ma pewne tolerancje z pierwotnego planowania. O tym, jak ten projekt może wyglądać, decyduje inżynier projektu. Niestety, normy inżynierskie nie są pomocne.

Wymiarowanie belki z uwzględnieniem dolnej sztywności połączenia można przeprowadzić na dwa sposoby: poprzez bezpośrednie uwzględnienie w podporze za pomocą sprężyny skrętowej lub za pomocą wartości tabelarycznych lub wykresów w celu określenia sprężystego krytycznego momentu wyboczeniowego.

Drugi przypadek to preferencja, pod warunkiem, że wymiarowanie pręta zastępczego należy przeprowadzić ręcznie. Ponieważ proces projektowania nie jest szczegółowo omówiony w tym artykule, odsyłamy do niego jedynie w przydatnych źródłach. Godne polecenia są artykuły [5] , [6] i [7]. Niestety, odpowiedni raport badawczy DASt do [6] i [7] nie został jeszcze opublikowany, który może być najbardziej przydatnym źródłem w języku niemieckim dotyczącym tej trudności.

Możliwość uwzględnienia odpowiedniej sprężyny skrętowej jest z pewnością rozwiązaniem, jeżeli obliczenia należy przeprowadzić metodą ogólną zgodnie z EN 1993-1-1, rozdział 6.3.4 [2] lub zgodnie z wyboczeniem skrętnym drugiego rzędu teoria. Aby uzyskać te parametry sprężyny, możliwe jest przeprowadzenie obliczeń metodą ES (na przykład RFEM).


Odnośniki
Odniesienia
Pobrane


;