1166x
001103
2020-01-02

Intervals of Isolines

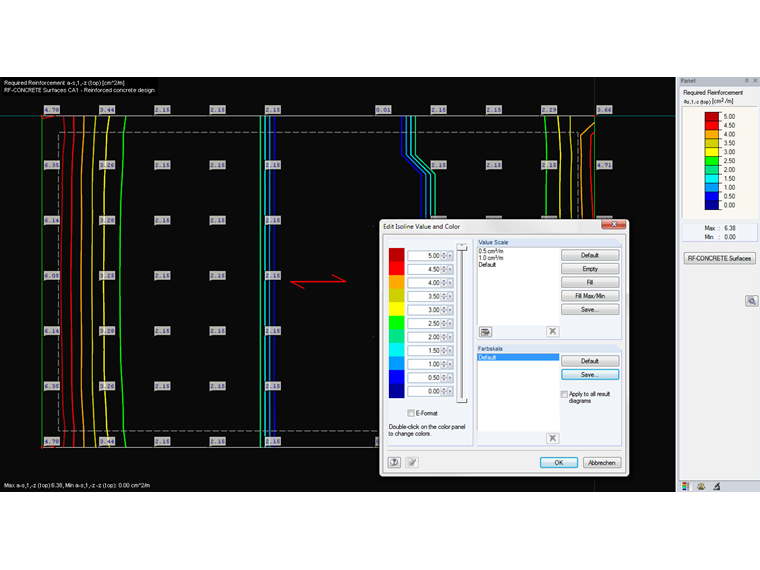
Is it possible to freely define the numerical values of isoline intervals (for example, result display of the isolines for the bottom reinforcement as,1 in steps of 5.0 cm²/m)?


Answer:

You can control the intervals of isolines using the panel.

To customize the values and color scale, double-click the color range in the panel. It is possible to determine the intervals directly by specifying the numeric value. As an alternative, you can specify the upper and lower extreme values for covering the color range. Click [Fill] to interpolate and automatically fill the numeric values for the individual intermediate values of the color range.

You can save the user-defined value scale by clicking [Save] and giving it an appropriate name.


Author

Mr. Baumgärtel provides technical support for Dlubal Software customers.

Links
Downloads


;