14365x
001601
2019-11-04

Determining Material Properties of Steel-Fiber-Reinforced Concrete and Their Application in RFEM

Steel-fiber-reinforced concrete is mainly used nowadays for industrial floors or hall floors, foundation plates with low loads, basement walls, and basement floors. Since the publication in 2010 of the first guideline about steel-fiber-reinforced concrete by the German Committee for Reinforced Concrete (DAfStb), a structural engineer can use standards for the design of the steel fiber-reinforced concrete composite material, which makes the use of fiber-reinforced concrete increasingly popular in construction. This article explains the individual material parameters of steel-fiber-reinforced concrete and how to deal with these material parameters in the FEM program RFEM.

Material Properties

According to DIN EN 206-1, fiber-reinforced concrete is concrete to which steel fiber is added to achieve certain properties. By adding sufficient steel fibers, they can transfer tensile forces across a crack in the concrete. Image 01 compares the general behavior of unreinforced concrete and steel-fiber-reinforced concrete under tension. You can see that the tension resistance of the steel-fiber-reinforced concrete decreases with increasing deformation, and the load-deformation curve shows a descending branch after the tensile strength is reached.

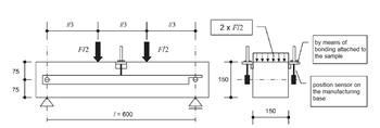
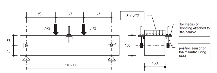
The strength of the steel-fiber-reinforced concrete composite material after exceeding the concrete tensile strength is called post-cracking tensile strength. The tensile forces actually occurring in the steel fibers are related to the surface of the tension zone of the concrete. The post-cracking tensile strength is usually determined by means of a bending tension test according to [1] in the building material laboratory. Beams with the dimensions w/h/l = 150 mm / 150 mm / 700 mm are used as test pieces. Since the bending tension behavior in the post-cracking region is important for the work line of the steel-fiber-reinforced concrete, the 4-point bending test is carried out in a displacement-controlled manner. Image 02 shows the dimensioned drawing of the 4-point bending test.

Due to the experimental setup of the 4-point bending test, the position of the crack is arbitrarily on the test beam, because the local loading between the two load points is constant. In the following image, you can see from the completed test (the press was further extended manually to enlarge the crack opening after the experiment was completed) that the crack formation occurs freely between the two press rollers at the governing location (= weakest position).

The test results are documented in a load-deformation curve (see Image 04). From this load-deformation curve, what are known as the equivalent bending tensile strengths are determined and the post-cracking tensile strength of the steel-fiber-reinforced concrete is calculated from this, using conversion factors. A distinction is made between a characteristic value for the evaluation of the serviceability limit state (= small deformations, δ = 0.5 mm) and a governing parameter for the ultimate limit state (= large deformations, δ = 3.5 mm).

The post-cracking flexural tensile strengths of the steel-fiber-reinforced concrete are to be determined from the load values F0.5 for δ = 0.5 mm and F3.5 for δ = 3.5 mm. The reached load Li (with i=0.5 or 3.5) is multiplied by the corresponding load lever arm and divided by the section modulus Wj of the uncracked cross-section. The mean post-cracking flexural tensile strength ffcflm,Li of a test series consisting of n test beams is calculated as the arithmetic mean of the individual post-cracking tensile strengths.

For classifying the steel-fiber-reinforced concrete composite material, the Steel-Fiber-Reinforced Concrete Guideline of the German Committee for Reinforced Concrete (DAfStb) specifies two different performance classes: L1 and L2. Performance class L1 describes the material properties for small deformations (δ = 0.5 mm) and performance class L2, the behavior for larger deformations (δ = 3.5 mm). The description of the performance classes Li corresponds to the characteristic value of the post-cracking flexural tensile strength ffcflk,Li in N/mm² for the corresponding deformations. According to [1], the characteristic post-cracking flexural tensile strength is calculated from the mean post-crack flexural tensile strength ffcflm,Li.

The steel-fiber-reinforced concrete is thus designated by adding the letter L with the characteristic post-cracking flexural strength for preforming 1 (SLS) and 2 (ULS). For example, steel-fiber-reinforced concrete C30/37 L0.9/L0.6 XC1 has a characteristic post-cracking flexural tensile strength of 0.9 N/mm² for Deformation 1 and 0.6 N/mm² for Deformation 2.

Stress-Strain Curve of Steel-Fiber-Reinforced Concrete

Stress-strain curves are required for the design of structural steel components. For this purpose, the characteristic post-crack flexural tensile strengths ffcflk,Li described above are converted into the axial post-cracking tensile strengths ffct0,i by means of β factors according to [1]. Table R3 of the German Committee for Reinforced Concrete (DAfStb) Guideline on steel-fiber-reinforced concrete [1] shows the basic values of the axial post-cracking tensile strength ffct0,i for the respective performance classes (see Image 05).

In order to obtain the calculation values ffctR,i for the stress-strain curve, we have to modify the basic values of the axial post-cracking tensile strength by two correction factors, κfG and κfF .

The Steel Fiber Directive [1] assumes that deformation 1 with δ = 0.5 mm of the 4-point bending test corresponds to a strain of ε = 0.0035, and deformation 2 with δ = 3.5 mm corresponds to a strain of ε = 0.025.

Depending on the provided calculation, different stress-strain curves are available in [1] for the tension area. For a nonlinear determination of deformation and internal forces, the multilinear relation shown in Image 06 is applied in the tension area. The linear distribution can be applied until the concrete tensile strength fctm is reached. According to [1], the stress-strain curve shown in blue in Image 06 is only allowed for steel-fiber-reinforced concrete with a ratio of L2 / L1 ≥ 0.7. For performance class ratios L2 / L1 ≤ 0.7, only the stress distribution (dotted green line in Image 06) is allowed to be applied.

Application of the concrete tensile strength fctm is not allowed for the cross-section design in the ultimate limit state. The additional tensile strength that can be applied comes only from the tensile force in the crack transmitted by the steel fibers. Furthermore, the tensile strengths for the ultimate limit state design with the design values ffctd,Li have to be applied. They are obtained by multiplying the calculated values ffctR,Li by the reduction factor αfc and dividing by the partial safety factor γfct. The application of ffctd,L1 and ffctd,L2 (solid blue line in Image 07) is restricted to the ratios of L2 / L1 ≥ 0.7. The stress distribution, shown in green with dashes in Image 07, may be used in a simplified way for ratios L2 / L1 ≤ 1.

In the compression zone of the stress-strain curve for steel-fiber-reinforced concrete, there is no difference between normal concrete without fibers and steel-fiber-reinforced concrete. The regulation of EN 1992-1-1 [4] applies unchanged to the stress-strain relation in the compression area. Therefore, a parabolic diagram according to Section 3.1.5 [4] (see Image 08 a) or a parabola rectangle according to Section 3.1.6 [4] for the stress-strain curve is used for the nonlinear calculation of the friction and internal forces to be used in the compression area.

Nonlinear Calculation with RFEM

According to [1], nonlinear methods may, in principle, be used for structural components of steel-fiber-reinforced concrete if the predominant load-bearing capacity is achieved by reinforcing steel. In all other cases, the nonlinear calculation is only applicable for structural components with elastic foundations, tied-back underwater concrete bases, pile-supported floor slabs, shell-shaped structural components, and monolithic precast containers.

In the following text, the stress-strain curve for steel-fiber-reinforced concrete will be defined in RFEM and the material behavior will be checked. For the purposes of this article, this will initially only be carried out on an FE element with a uniaxial tension load. By means of this simple test, the material model used in RFEM is to be verified for the absorption of a uniaxial tension load.

For a nonlinear calculation of internal forces and deformations of steel-fiber-reinforced concrete, the stress-strain curve applied in the compression area consists of a parabola according to 3.1.5 EN 1992-1-1 [4] and in the tension area of the multilinear distribution with consideration of the concrete tensile strength fctm (Image 06). In RFEM, you have to use a material model that can represent the descending branch after the crack formation. With the RF-MAT NL add-on module, RFEM can represent exactly this behavior using the "Isotropic Damage 2D/3D" material model.

The "Isotropic Damage" material model was described in detail in a previous article:
KB 001461 │ Nonlinear Material Model Damage

The stress-strain curve is generally entered in RFEM. The compression and tension areas can be defined individually using the "Diagram …" option. Only the elastic modulus at the origin must be identical to the respective subsequent points in the compression and tension areas. The reference element size lFE,R is left unchanged, with a length of 0.0 m. Thus, it is ensured that the defined stress-strain curve is applied 1:1 in the damage zone in the calculation. Image 09 shows the input of the analyzed steel-fiber-reinforced concrete in the input window of RFEM.

Since the illustration of the post-cracking tension behavior is to be analyzed in detail below, the properties in the tension area of the tested steel-fiber-reinforced concrete are described in detail below:

  • fctm = 2.500 N/mm²
  • 1.04 ⋅ ffctr,L1 = 0.862 N/mm²
  • 1.04 ⋅ ffctr,L2 = 0.458 N/mm²

The stress-strain curve shown in Image 10 results from the aforementioned material parameters for the tension area.

In order to avoid the influence of neighboring elements and biaxial stress states on the results, the material is checked on a finite element with side lengths of 1 ⋅ 1 m. The element is held horizontally on one side of the element, then pulled on the opposite side. In order to obtain the image of the post-cracking tensile strength, the loading must be applied in a displacement-controlled manner, as in the 4-point bending test described above. Image 11 shows the calculation model in RFEM.

Using the "Incrementally Increasing Loading" option in the calculation parameters of the load case, the deformation is increased until the break-off criterion is reached. The break-off criterion used was defined with a nodal displacement of 25.1 mm, which corresponds to a strain ε of 0.0251.

The diaphragm stress in the direction of the principal axis σ1,m is used to evaluate the results of the calculation. In the "Calculation Parameters" dialog box, you can display a diagram for the calculation results for a step-by-step load increment.

The calculated membrane stress follows the specified distribution of the post-cracking tensile strength exactly. In the following diagram, the main stress ma σ1,m is defined by the stress-strain curve of the steel-fiber-reinforced concrete defined in the tension area. The results calculated in RFEM match the defined workline precisely.

Conclusion

By using the "Isotropic Damage 2D/3D" material model, it was possible to precisely verify the post-cracking behavior of the steel-fiber-reinforced concrete under uniaxial tension loading. Please note that in such verification calculations, all influences from, for example, neighboring elements, multiaxial stress states, or modification options in the material model are excluded by specifying a reference element size lFE,R.


Author

Alexander leads development in the field of concrete structures and is responsible for the further development of reinforced concrete and prestressed concrete functions. He also assists the Customer Support team with complex design issues.

Links
References
Downloads


;