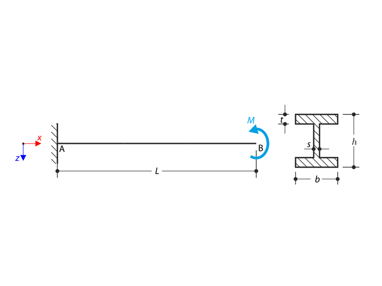
Popis
Konzola I-profilu je podepřena na levém konci (x=0) a je zatížena momentem M podle následujícího . Cílem tohoto příkladu je porovnat pevnou podporu s vidlicovou podporou a prozkoumat chování některých reprezentativních veličin. Provedeno je také porovnání s řešením pomocí desek. Verifikační příklad je založen na příkladu, který představili Gensichen a Lumpe (viz odkaz). Malé deformace se zohledňují a vlastní tíha se zanedbává. Stanovíme pootočení v polovině konzoly φx (L/2) a v případě deplanační prutové entity určíme hodnoty primárního krouticího momentu MTpri, sekundárního krouticího momentu MTsec a vázaného momentu Mω na levém konci (bod A) a na pravém konci (bod B). Problém je popsán pomocí následující sady parametrů.
| Materiál | Ocel | Modul pružnosti | E | 210000,000 | MPa |
| Smykový modul | G | 81000,000 | MPa | ||
| Geometrie | Konzola | obvod | L | 5,000 | m |
| Průřez | Výška | h | 400,000 | mm | |
| Šířka | b | 180,000 | mm | ||
| Tloušťka stěny | s | 10,000 | mm | ||
| Tloušťka pásnice | t | 14,000 | mm | ||
| Zatížení | Moment | M | 1,000 | kNm | |
Analytické řešení
Při zohlednění výpočtu prutu s deplanací se celkový krouticí moment MT rozdělí mezi primární krouticí moment MTpri a sekundární krouticí moment MTsec.
Rovnici lze vyjádřit následovně:
Toto je úplná diferenciální rovnice kroucení. Lze ho řešit metodou počátečních parametrů a výsledků do rovnic pro natočení φx, relativní kroucení φ'x a vázaný moment Mω, primární krouticí moment MTpri a sekundární krouticí moment MTsec.
Při zohlednění pevné podpory je deplanace omezena. Okrajové podmínky jsou v tomto případě: φ(0)=0, φ'(0)=0, MT(0)=M,Mω (L)=0.
Při zohlednění vidlicové podpory je deplanace povolena a okrajové podmínky jsou následující: φ(0)=0,Mω (0)=0, MT(0)=M,Mω (L)=0.
Při použití těchto okrajových podmínek dostaneme natočení φ(x) do známého vzorce.
Nastavení programu RFEM
- Modelováno v programech RFEM 5.05 a RFEM 6.01
- Velikost prvku je lFE = 0,025 m
- Je použit izotropní lineárně elastický materiálový model
- Je použita teorie ohybu Kirchhoffovy desky
- Addon Vázané kroucení a Posouzení ocelových konstrukcí se používá v programu RFEM 6
Výsledky
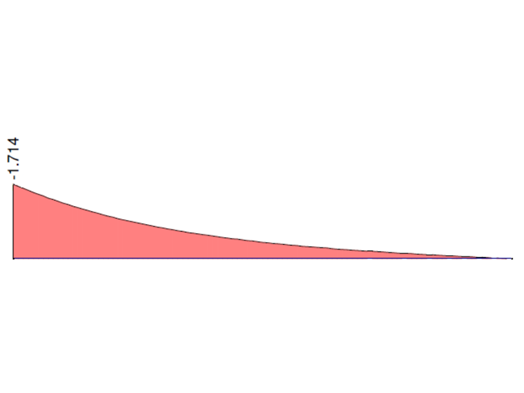
V následujících grafech je znázorněno chování celkového krouticího momentu MT, primárního krouticího momentu MTpri, sekundárního krouticího momentu MTsec a vázaného momentu Mω vypočítaných v programu RFEM 6 a RFEM 5, přídavného modulu RF-FE-LTB, při zohlednění pevné podpory. Hodnoty na obou koncích konzoly jsou porovnány s analytickým řešením a řešením v programu ANSYS 13.
| Bod A (x=0) | Analytické řešení | ANSYS 13 | Poměrná hodnota | RFEM 6 | Poměrná hodnota | RFEM RF-FE-LTB | Poměrná hodnota |
| MTpri [kNm] | 0,000 | 0,008 | - | 0,000 | - | 0,000 | - |
| MTsec [kNm] | 1,000 | 0,992 | 0,992 | 1,000 | 1,000 | 1,000 | 1,000 |
| Mω [kNm] | -1,714 | -1,683 | 0,989 | -1,743 | 1,017 | -1,714 | 1,000 |
| Bod B (x=L) | Analytické řešení | ANSYS 13 | Poměrná hodnota | RFEM 6 | Poměrná hodnota | RFEM RF-FE-LTB | Poměrná hodnota |
| MTpri [kNm] | 0,890 | 0,893 | 1,003 | 0,869 | 0,976 | 0,890 | 1,000 |
| MTsec [kNm] | 0,110 | 0,107 | 0,973 | 0,131 | 1,191 | 0,110 | 1,000 |
| Mω [kNm] | 0,000 | 0,001 | - | 0,000 | - | 0,000 | - |
Vypočítané natočení okolo osy x lze porovnat s výsledky při zohlednění vidlicového uložení a také s deskovými modely, které deplanaci přirozeně zohledňují. Natočení na poloviční délce φ(L/2) se v případě deskových modelů používá vzhledem k dotčené oblasti v blízkosti zatěžovaného bodu. Zadání vidlicové podpory v případě deskového modelu je složité, protože deplanační moment se musí rovnat nule. Tuto okrajovou podmínku nelze nastavit přímo v programu RFEM 5/RFEM 6. Použitá aproximace je znázorněna na následujícím obrázku. Natočení okolo osy x je omezeno na všech okrajích podpory. Pouze středový uzel (na ose) je plně pevný. V případě pevné podpory jsou všechny okraje podpory pevné.
| Podpora | Analytické řešení | ANSYS 13 | RFEM 6 (prut) | RFEM 6 (plocha) | |||
| φx (L/2) [mrad] | φx (L/2) [mrad] | Poměr [-] | φx (L/2) [mrad] | Poměr [-] | φx (L/2) [mrad] | Poměr [-] | |
| Pevná podpora | 32,6 | 32,2 | 0,988 | 32,4 | 0,994 | 32,7 | 1,003 |
| Vidlicová podpora | 69,9 | 68,5 | 0,979 | 69.9 | 1,000 | 68,8 | 0,999 |
| Podpora | Analytické řešení | ANSYS 13 | RFEM 5, RF-FE-LTB (prut) | RFEM 5 (plocha) | |||
| φx (L/2) [mrad] | φx (L/2) [mrad] | Poměr [-] | φx (L/2) [mrad] | Poměr [-] | φx (L/2) [mrad] | Poměr [-] | |
| Pevná podpora | 32,6 | 32,2 | 0,988 | 32,6 | 1,000 | 32.5 | 0,974 |
| Vidlicová podpora | 69,9 | 68,5 | 0,979 | 69,9 | 1,000 | 68.1 | 0,974 |
Poznámka 1: Řešení s deskovými modely se používá jako ukázka deplanačního účinku. Relativní chyba je způsobena také aproximací vidlicové podpory.
Poznámka 2: Numerické řešení v programu ANSYS 13 provedla společnost Designtec sro Veličiny MTpri a $ MTsec nejsou původními výsledky z programu ANSYS 13. Ty se počítají z deplanačního momentu Mω. Proto by neměly být brány jako zcela přesné hodnoty. V programu ANSYS 13 se používají prvky BEAM188.