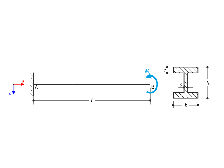
Opis prac
Wspornik o profilu dwuteowym jest podparty na lewym końcu (x=0) i jest obciążony momentem obrotowym M według . Celem tego przykładu jest porównanie podpory nieruchomej z podporą widełkową i zbadanie zachowania się niektórych reprezentatywnych wielkości. Przeprowadzane jest również porównanie z rozwiązaniem za pomocą płyt. Przykład obliczeniowy oparty jest na przykładzie opracowanym przez Gensichen i Lumpe (patrz odnośnik). Uwzględniane są niewielkie odkształcenia, a ciężar własny jest pomijany. Należy określić obrót w połowie wspornika φx (L/2) oraz, w przypadku pręta z deplanacją, określić wartości głównego momentu skręcającego MTpri, drugorzędnego momentu skręcającego MTsec oraz momentu skręcania skrępowanego Mω na na lewym końcu (punkt A) i na prawym końcu (punkt B). Problem opisano za pomocą poniższego zestawu parametrów.
| Materiał | Stal | Moduł sprężystości | E | 210000,000 | MPa |
| Moduł ścinania | [SCHOOL.NUMBEROFSINGLEUSERLICENCES] | 81000,000 | MPa | ||
| Geometria | Wspornik | obwiednia | [CONTACT.E-MAIL-SALUTATION] | 5,000 | m |
| Przekrój | Wysokość | h | 400,000 | mm | |
| Szerokość | b | 180,000 | mm | ||
| Grubość środnika | s | 10,000 | mm | ||
| Grubość półki | t | 14,000 | mm | ||
| Obciążenie | Moment | M | 1,000 | kNm |
Rozwiązanie analityczne
W przypadku obliczeń prętów ze skręcaniem skrępowanym całkowity moment skręcający MT jest podzielony między główny moment skręcający MTpri i drugorzędny moment skręcający MTsec.
Równanie można zapisać w następujący sposób:
Jest to pełne równanie różniczkowe na skręcanie. Można go rozwiązać metodą początkowych parametrów i wyników na równania dla obrotu φx, skrętu względnego φ'x i momentu skręcającego Mω, pierwotnego momentu skręcającego MTpri i drugorzędnego momentu skręcającego MTsec.
Deplanacja jest zablokowana w przypadku uwzględnienia podpory utwierdzonej. Warunki brzegowe w tym przypadku to: φ(0)=0, φ'(0)=0, MT (0)=M, Mω (L)=0.
W przypadku zastosowania podpory widełkowej deplanacja jest aktywna, a warunki brzegowe są następujące: φ(0)=0,Mω (0)=0,MT (0)=M, Mω (L)=0.
Wykorzystując te warunki brzegowe, obrót φ (x) daje dobrze znany wzór.
Ustawienia RFEM
- Modelowany w RFEM 5.05 i RFEM 6.01
- Rozmiar elementu wynosi lFE = 0.025 m
- Zastosowano izotropowy liniowo sprężysty model materiałowy
- Zastosowano teorię zginania płyty Kirchhoffa
- Rozszerzenie Skręcanie skrępowane i wymiarowanie stali jest używane w programie RFEM 6
Wyniki
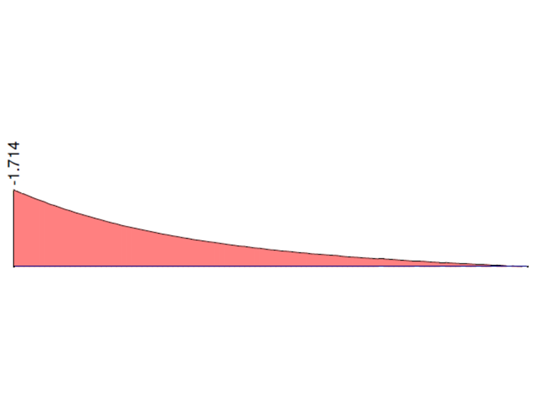
Na poniższych wykresach przedstawiono zachowania się całkowitego momentu skręcającego MT, głównego momentu skręcającego MTpri, drugorzędnego momentu skręcającego MTsec i momentu skrępowanego Mω obliczone w programach RFEM 6 i RFEM 5, moduł RF-FE-LTB, w przypadku uwzględnienia podpory stałej. Wartości na obu końcach wspornika są porównywane z rozwiązaniem analitycznym i rozwiązaniem w ANSYS 13.
| Punkt A (x=0) | Rozwiązanie analityczne | ANSYS 13 | Stosunek | RFEM 6 | Stosunek | RFEM RF-FE-LTB | Stosunek |
| MTpri [kNm] | 0,000 | 0,008 | - | 0,000 | - | 0,000 | - |
| MTsec [kNm] | 1,000 | 0,992 | 0,992 | 1,000 | 1,000 | 1,000 | 1,000 |
| M € [kNm ] | -1,714 | -1,683 | 0,989 | -1,743 | 1,017 | -1,714 | 1,000 |
| Punkt B (x=L) | Rozwiązanie analityczne | ANSYS 13 | Stosunek | RFEM 6 | Stosunek | RFEM RF-FE-LTB | Stosunek |
| MTpri [kNm] | 0,890 | 0,893 | 1,003 | 0,869 | 0,976 | 0,890 | 1,000 |
| MTsec [kNm] | 0,110 | 0,107 | 0,973 | 0,131 | 1,191 | 0,110 | 1,000 |
| M € [kNm ] | 0,000 | 0,001 | - | 0,000 | - | 0,000 | - |
Obliczony obrót wokół osi x można porównać z wynikami (uwzględniając podporę widłową) oraz z modelami płytowymi, które w naturalny sposób uwzględniają deplanację. Wykorzystano obrót o połowę długości φ(L/2) ze względu na wpływ obszaru w pobliżu punktu obciążenia w przypadku modeli płytowych. Definicja podpory widłowej w przypadku modelu płytowego jest skomplikowana, ponieważ moment skrępowany musi być równy zero. Ten warunek brzegowy nie może być ustawiony bezpośrednio w RFEM 5/RFEM 6. Zastosowaną aproksymację pokazano na następującej . Obrót wokół osi x jest ograniczony na wszystkich krawędziach podpory. Tylko węzeł środkowy (na osi) jest w pełni utwierdzony. W przypadku podpory stałej wszystkie krawędzie podpory są nieruchome.
| Podpora | Rozwiązanie analityczne | ANSYS 13 | RFEM 6 (pręt) | RFEM 6 (płyta) | |||
| φx (L/2) [mrad] | φx (L/2) [mrad] | Stosunek [-] | φx (L/2) [mrad] | Stosunek [-] | φx (L/2) [mrad] | Stosunek [-] | |
| utwierdzenie | 32,6 | 32,2 | 0,988 | 32,4 | 0,994 | 32,7 | 1,003 |
| Podpora widełkowa | 69,9 | 68,5 | 0,979 | 69,9 | 1,000 | 68,8 | 0,999 |
| Podpora | Rozwiązanie analityczne | ANSYS 13 | RFEM 5, RF-FE-LTB (pręt) | RFEM 5 (płyta) | |||
| φx (L/2) [mrad] | φx (L/2) [mrad] | Stosunek [-] | φx (L/2) [mrad] | Stosunek [-] | φx (L/2) [mrad] | Stosunek [-] | |
| utwierdzenie | 32,6 | 32,2 | 0,988 | 32,6 | 1,000 | 32.5 | 0,974 |
| Podpora widełkowa | 69,9 | 68,5 | 0,979 | 69,9 | 1,000 | 68.1 | 0,974 |
Uwaga 1: Do demonstracji efektu deplanacji wykorzystano rozwiązanie z wykorzystaniem modeli płytowych. Błąd względny jest również spowodowany aproksymacją podpory widełkowej.
Uwaga 2: Rozwiązanie numeryczne w ANSYS 13 przeprowadziła firma Designtec sro Wartości MTpri and $ MTsec nie są oryginalnymi wynikami z ANSYS 13. Są one obliczane na podstawie momentu skrępowanego Mω. Nie należy ich zatem traktować jako wartości w pełni dokładnych. Elementy BEAM188 są stosowane w programie ANSYS 13.